

| 型号 | 流量(L/h)/压力(MPa) | 电机功率KW |
柱塞 直径 mm |
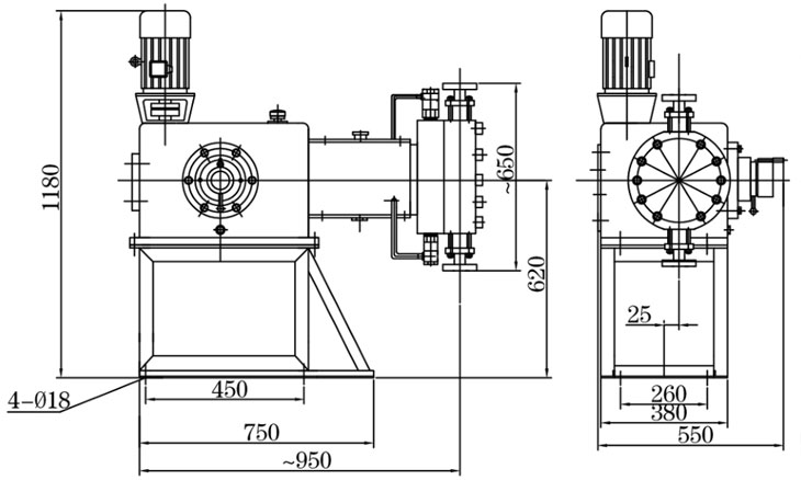
接口通径 mm |
额定 行程 mm |
|
| 往复次数min-1 | ||||||
| 90 | 135 | |||||
| JDM | 70/20 | 100/16 | 2.2 | 20 | Φ15 | 50 |
| 70/40 | 100/32 | 4 | ||||
| JDM | 120/12.5 | 180/10 | 2.2 | 25 | Φ15 | |
| 120/25 | 180/20 | 4 | ||||
| JDM | 150/10 | 230/8.0 | 2.2 | 28 | Φ15 | |
| 150/20 | 230/16 | 4 | ||||
| JDM | 200/8.0 | 290/6.3 | 2.2 | 32 | Φ20 | |
| 200/16 | 290/12.5 | 4 | ||||
| JDM | 245/6.3 | 360/5.0 | 2.2 | 35 | Φ20 | |
| 245/12.5 | 360/10 | 4 | ||||
| JDM | 320/5.0 | 460/4.0 | 2.2 | 40 | Φ20 | |
| 320/10 | 460/8.0 | 4 | ||||
| JDM | 400/4.0 | 600/3.5 | 2.2 | 45 | Φ25 | |
| 400/8.0 | 600/7.0 | 4 | ||||
| JDM | 500/3.5 | 750/3.1 | 2.2 | 50 | Φ25 | |
| 500/7.0 | 750/6.2 | 4 | ||||
| JDM | 600/3.1 | 900/2.7 | 2.2 | 55 | Φ25 | |
| 600/6.2 | 900/5.5 | 4 | ||||
| JDM | 700/2.7 | 1000/2.5 | 2.2 | 60 | Φ35 | |
| 700/5.5 | 1000/5.0 | 4 | ||||
| JDM | 850/2.5 | 1250/2.2 | 2.2 | 65 | Φ35 | |
| 850/5.0 | 1250/4.5 | 4 | ||||
| JDM | 980/2.2 | 1450/2.0 | 2.2 | 70 | Φ35 | |
| 980/4.5 | 1450/4.0 | 4 | ||||
| JDM | 1100/2.0 | 1700/1.7 | 2.2 | 75 | Φ35 | |
| 1100/4.0 | 1700/3.5 | 4 | ||||
| JDM | 1280/1.7 | 1900/1.5 | 2.2 | 80 | Φ35 | |
| 1280/3.5 | 1900/3.0 | 4 | ||||
| JDM | 1450/3.0 | 2180/2.5 | 4 | 85 | Φ35 | |
| JDM | 1600/2.5 | 2400/2.0 | 4 | 90 | Φ45 | |
| JDM | 1800/2.0 | 2700/1.6 | 4 | 95 | Φ45 | |
| JDM | 2000/1.6 | 3000/1.3 | 4 | 100 | Φ45 | |
